Collier de prise PLASSADDLE sortie ACME
Code produit : 630E
Colliers de prise PLASSADDLE
Collier de branchement - Dérivation taraudée ACME pour système de canalisations en PEHD ou PVC sous pression. Permet de créer des dérivations dans un réseau d'irrigation ou une prise pour arroseur.
Dédié aux réseaux d'irrigation de golf utilisant des coudes articulés filetés ACME.
Disponible en PN16 du d63 x 1'' au 1 1/2'' au d110 x 1 1/2''.
Les produits
- Les colliers de prise en PP renforcé de fibre de verre présentent une meilleure stabilité dimensionnelle, améliorant ainsi la rigidité du produit.
- Ils restent légers et donc faciles à installer.
- Ils offrent une excellente résistance aux produits chimiques et à la corrosion contribuant à leur durabilité.
- Innovation majeure : conception sans boulon offrant 30% de gain de temps à la pose.
- Taraudage ACME de la dérivation (Gris).
Domaines d'application
Irrigation.
Température du fluide : max 40°C, détimbrage à partir de 20°C.
Caractéristiques techniques
Matière
Corps : Polypropylène, copolymère haute qualité, renforcé fibres de verre. Ecrous : Polyamide renforcé fibres de verre. Taraudage : Polypropylène, copolymère haute qualité. Joints : EPDM. Barette de crampage : acier inox AISI 316.
Références normatives ISO 17885: 2021 - Systèmes de canalisations en plastiques — Raccords mécaniques pour les canalisations sous pression — Spécifications Certification Attestation de Conformité Sanitaire (ACS)
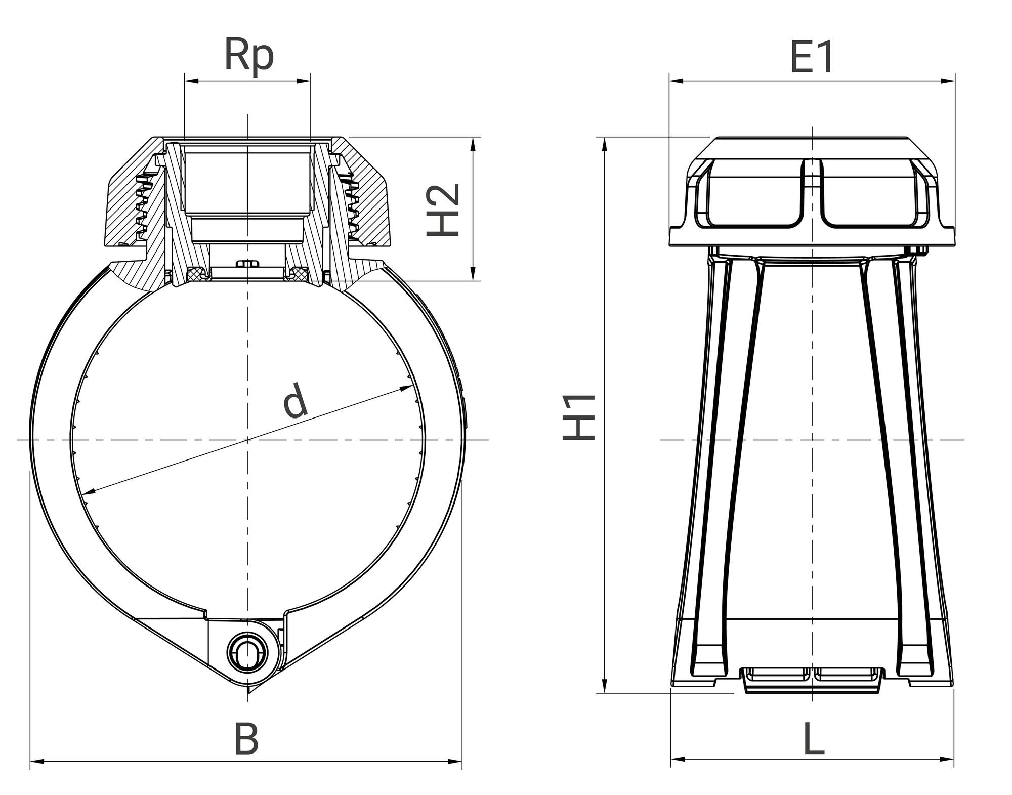
Références et dimensions
| Référence | d x Rp | B | L | E1 | H1 | H2 | D max perçage | PN à 20°C | Fiche tech. | CAD |
|---|---|---|---|---|---|---|---|---|---|---|
| 630E6310 | 63 x 1" | 91 | 89 | 102 | 136 | 49 | 25 | 16 | Télécharger Fiche tech. | Télécharger CAD |
| 630E6313 | 63 x 1 1/4" | 91 | 89 | 102 | 146 | 58 | 25 | 16 | Télécharger Fiche tech. | Télécharger CAD |
| 630E6315 | 63 x 1 1/2" | 91 | 89 | 102 | 136 | 49 | 25 | 16 | Télécharger Fiche tech. | Télécharger CAD |
| 630E9010 | 90 x 1" | 119 | 94 | 102 | 163 | 49 | 25 | 16 | Télécharger Fiche tech. | Télécharger CAD |
| 630E9013 | 90 x 1 1/4" | 119 | 94 | 102 | 173 | 58 | 25 | 16 | Télécharger Fiche tech. | Télécharger CAD |
| 630E9015 | 90 x 1 1/2" | 119 | 94 | 102 | 163 | 49 | 25 | 16 | Télécharger Fiche tech. | Télécharger CAD |
| 630E11010 | 110 x 1" | 141 | 97 | 102 | 180 | 49 | 25 | 16 | Télécharger Fiche tech. | Télécharger CAD |
| 630E11015 | 110 x 1 1/2" | 141 | 97 | 102 | 180 | 49 | 25 | 16 | Télécharger Fiche tech. | Télécharger CAD |
Schéma technique pour le produit :

Vidéos
Nos formations
Plasson France accompagne vos équipes dans l’apprentissage des bonnes pratiques de raccordement du PE.
Découvrir nos formationsOutillage de mise en oeuvre
Ressources
Fiche technique - Collier de prise PLASSADDLE sortie ACME - 630E
(application/pdf, 219.49 ko)Fiche de mise en oeuvre - Collier de prise PLASSADDLE sortie ACME - 630E
(application/pdf, 868.85 ko)Attestation de Conformité Sanitaire (ACS) - Collier de prise PLASSADDLE sortie ACME - 630E
(application/pdf, 211.40 ko)Informations logistiques
| Pièce | Sachet | Carton | |||||||||
|---|---|---|---|---|---|---|---|---|---|---|---|
| Référence | Larg. (mm) | Prof. (mm) | Haut. (mm) | Poids (kg) | Poids (kg) | Qté | Larg. (mm) | Prof. (mm) | Haut. (mm) | Qté | Poids (kg) |
| 630E6310 | 105 | 105 | 140 | 0,39 | 1,950 | 5 | 570 | 490 | 330 | 50 | 20,90 |
| 630E6313 | 105 | 105 | 150 | 0,37 | 1,850 | 5 | 570 | 490 | 330 | 45 | 18,05 |
| 630E6315 | 105 | 105 | 140 | 0,37 | 1,850 | 5 | 570 | 490 | 330 | 45 | 18,05 |
| 630E9010 | 105 | 120 | 165 | 0,445 | 2,225 | 5 | 570 | 490 | 330 | 40 | 19,20 |
| 630E9013 | 105 | 120 | 175 | 0,44 | 1,850 | 5 | 570 | 490 | 330 | 35 | 14,35 |
| 630E9015 | 105 | 120 | 165 | 0,44 | 2,200 | 5 | 570 | 490 | 330 | 35 | 16,80 |
| 630E11010 | 105 | 145 | 185 | 0,51 | - | - | 570 | 490 | 330 | 40 | 21,80 |
| 630E11015 | 105 | 145 | 185 | 0,49 | - | - | 570 | 490 | 330 | 40 | 21,00 |
