Adaptateur à bride MILLENIUM Série 7
Code produit : 87236
Raccords de transition
Collet-bride MILLENIUM pour systèmes de canalisations sous pression.
Permet l'assemblage d'un tube en PEHD avec un accessoire de réseau à bride conforme à EN 1092.
S'adapte sur n'importe raccord de la série Série 7 MILLENIUM.
Disponible en PN16 du d75 à 110mm.
Les produits
Permet de réaliser des assemblages à brides à partir de n'importe quel raccord à compression de la gamme Série 7 MILLENIUM.
Domaines d'application
Irrigation - Adduction d'eau brute ou destinée à la consommation humaine.
Température du fluide : max 40°C, détimbrage à partir de 20°C.
Caractéristiques techniques
Matière
NF EN 1092 : Brides et leurs assemblages - Brides circulaires pour tubes, appareils de robinetterie, raccords et accessoires, désignées PN Certification
Corps : Polypropylène, copolymère haute qualité. Bride : Acier SAE 1020.
Références normatives ISO 17885: 2021 - Systèmes de canalisations en plastiques — Raccords mécaniques pour les canalisations sous pression — SpécificationsNF EN 1092 : Brides et leurs assemblages - Brides circulaires pour tubes, appareils de robinetterie, raccords et accessoires, désignées PN Certification
Attestation de Conformité Sanitaire (ACS)
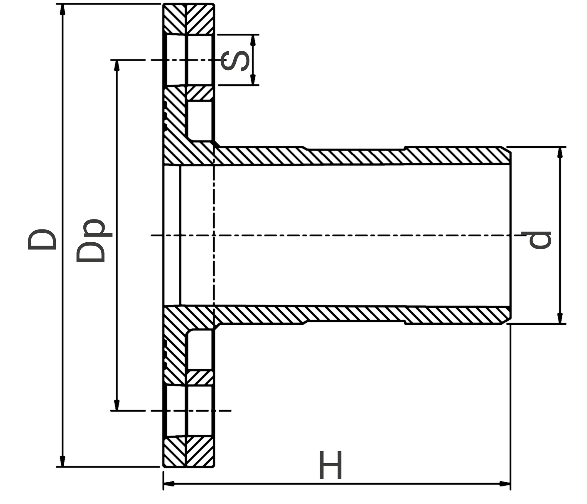
Références et dimensions
| Référence | d x DN | S | H | D | Dp | Nb Boulons | Classe de perçage | PN à 20°C | Fiche tech. | CAD |
|---|---|---|---|---|---|---|---|---|---|---|
| 872367520 | 75 x 50 | 18 | 142 | 165 | 125 | 4 | ISO GN 10/16 | 16 | Télécharger Fiche tech. | Télécharger CAD |
| 872367525 | 75 x 65 | 18 | 142 | 185 | 145 | 4 | ISO GN 10/16 | 16 | Télécharger Fiche tech. | Télécharger CAD |
| 872367530 | 75 x 80 | 18 | 142 | 200 | 160 | 8 | ISO GN 10/16 | 16 | Télécharger Fiche tech. | Télécharger CAD |
| 872369025 | 90 x 65 | 18 | 175 | 185 | 145 | 8 | ISO GN 10/16 | 16 | Télécharger Fiche tech. | Télécharger CAD |
| 872369030 | 90 x 80 | 18 | 175 | 200 | 160 | 8 | ISO GN 10/16 | 16 | Télécharger Fiche tech. | Télécharger CAD |
| 872369040 | 90 x 100 | 18 | 175 | 220 | 180 | 8 | ISO GN 10/16 | 16 | Télécharger Fiche tech. | Télécharger CAD |
| 8723611030 | 110 x 80 | 18 | 210 | 200 | 160 | 8 | ISO GN 10/16 | 16 | Télécharger Fiche tech. | Télécharger CAD |
| 8723611040 | 110 x 100 | 18 | 210 | 220 | 180 | 8 | ISO GN 10/16 | 16 | Télécharger Fiche tech. | Télécharger CAD |
| 8723611050 | 110 x 125 | 18 | 214 | 250 | 210 | 8 | ISO GN 10/16 | 16 | Télécharger Fiche tech. | Télécharger CAD |
Schéma technique pour le produit :

Vidéos
Nos formations
Plasson France accompagne vos équipes dans l’apprentissage des bonnes pratiques de raccordement du PE.
Découvrir nos formationsInformations logistiques
| Pièce | Carton | ||||||||
|---|---|---|---|---|---|---|---|---|---|
| Référence | Larg. (mm) | Prof. (mm) | Haut. (mm) | Poids (kg) | Larg. (mm) | Prof. (mm) | Haut. (mm) | Qté | Poids (kg) |
| 872367520 | 145 | 165 | 165 | 1,4 | 570 | 490 | 330 | 15 | 22,40 |
| 872367525 | 145 | 185 | 185 | 1,57 | 570 | 490 | 330 | 14 | 23,40 |
| 872367530 | 145 | 200 | 200 | 1,98 | 570 | 490 | 330 | 12 | 25,16 |
| 872369025 | 175 | 200 | 200 | 1,75 | 570 | 490 | 330 | 12 | 22,40 |
| 872369030 | 175 | 200 | 200 | 1,86 | 570 | 490 | 330 | 12 | 23,72 |
| 872369040 | 175 | 220 | 220 | 2,18 | 570 | 490 | 330 | 9 | 21,10 |
| 8723611030 | 210 | 220 | 220 | 2,02 | 570 | 490 | 330 | 10 | 21,60 |
| 8723611040 | 210 | 220 | 220 | 2,33 | 570 | 490 | 330 | 8 | 20,04 |
| 8723611050 | 215 | 250 | 250 | 3,99 | 570 | 490 | 330 | 6 | 25,34 |
