Adaptateur à bride Série 7
Code produit : 7236
Raccords de transition
Collet-bride pour systèmes de canalisations sous pression.
Permet l'assemblage d'un tube en PEHD avec un accessoire de réseau à bride conforme à la norme EN 1092.
Disponible en PN16 d50 et 63mm.
Les produits
Permet de réaliser des assemblages à brides à partir de n'importe quel raccord à compression de la gamme Série 7.
Domaines d'application
Irrigation - Adduction d'eau brute ou destinée à la consommation humaine.
Température du fluide : max 40°C, détimbrage à partir de 20°C.
Caractéristiques techniques
Matière
NF EN 1092 : Brides et leurs assemblages - Brides circulaires pour tubes, appareils de robinetterie, raccords et accessoires, désignées PN Certification
Corps : Polypropylène, copolymère haute qualité. Bride : Acier SAE 1020.
Références normatives ISO 17885: 2021 - Systèmes de canalisations en plastiques — Raccords mécaniques pour les canalisations sous pression — SpécificationsNF EN 1092 : Brides et leurs assemblages - Brides circulaires pour tubes, appareils de robinetterie, raccords et accessoires, désignées PN Certification
Attestation de Conformité Sanitaire (ACS)
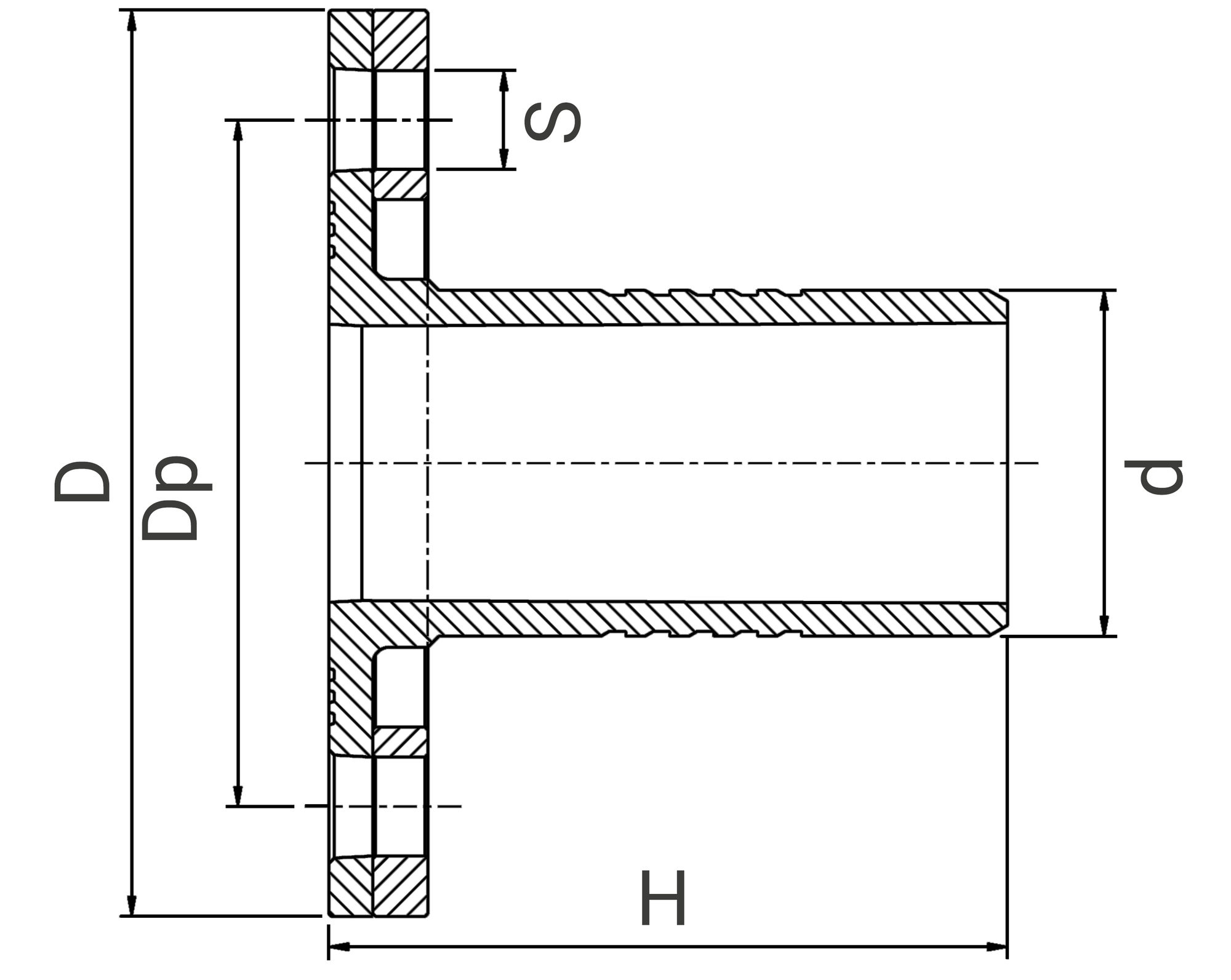
Références et dimensions
| Référence | d x DN | S | H | D | Dp | Nb Boulons | Classe de perçage | PN à 20°C | Fiche tech. | CAD |
|---|---|---|---|---|---|---|---|---|---|---|
| 72365015 | 50 x 40 | 18 | 99 | 150 | 110 | 4 | ISO GN 10/16 | 16 | Télécharger Fiche tech. | Télécharger CAD |
| 72365020 | 50 x 50 | 18 | 99 | 165 | 125 | 4 | ISO GN 10/16 | 16 | Télécharger Fiche tech. | Télécharger CAD |
| 72366320 | 63 x 50 | 18 | 124 | 165 | 125 | 4 | ISO GN 10/16 | 16 | Télécharger Fiche tech. | Télécharger CAD |
| 72366325 | 63 x 65 | 18 | 124 | 185 | 145 | 4 | ISO GN 10/16 | 16 | Télécharger Fiche tech. | Télécharger CAD |
Schéma technique pour le produit :

Vidéos
Nos formations
Plasson France accompagne vos équipes dans l’apprentissage des bonnes pratiques de raccordement du PE.
Découvrir nos formationsInformations logistiques
| Pièce | Carton | ||||||||
|---|---|---|---|---|---|---|---|---|---|
| Référence | Larg. (mm) | Prof. (mm) | Haut. (mm) | Poids (kg) | Larg. (mm) | Prof. (mm) | Haut. (mm) | Qté | Poids (kg) |
| 72365015 | 100 | 150 | 150 | 1,06 | 570 | 490 | 330 | 20 | 22,60 |
| 72365020 | 100 | 165 | 165 | 1,09 | 570 | 490 | 330 | 17 | 20,00 |
| 72366320 | 125 | 165 | 165 | 1,31 | 570 | 490 | 330 | 18 | 24,98 |
| 72366325 | 125 | 185 | 185 | 1,88 | 570 | 490 | 330 | 13 | 25,90 |
